MZ Logo

Saxon Tour Wiring

Home ] MZ Links ] MZ Main Index ] Search Site ] Join The MZ Riders ]

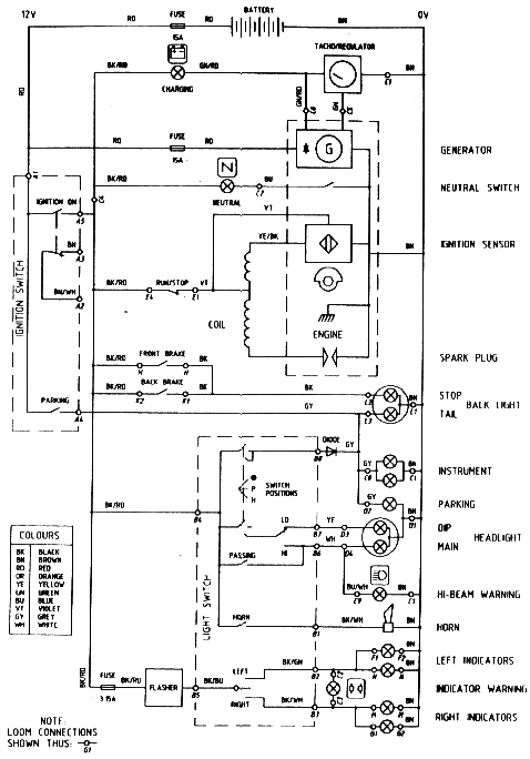
Simplified Saxon Tour Wiring (27K)

Drawn by Keith S Angus